BQDϵÁзÀ±¬µç´ÅÆô¶¯Æ÷
·¢²¼Ê±¼ä£º2023/4/17 11:47:28
·ÖÀࣺ·À±¬²Ù×÷Öù
×î½üÓÐ274651È˲鿴
BQDϵÁзÀ±¬µç´ÅÆô¶¯Æ÷...
- ²úÆ·½éÉÜ
BQDϵÁзÀ±¬µç´ÅÆô¶¯Æ÷ÐͺŹæ¸ñº¬Ò壺
BQDϵÁзÀ±¬µç´ÅÆô¶¯Æ÷ÊÊÓ÷¶Î§£º
1¡¢ÊÊÓÃÓÚ±¬Õ¨ÐÔÆøÌå»·¾³1Çø¡¢2ÇøÎ£ÏÕ³¡Ëù¡£
2¡¢ÊÊÓÃÓÚIIA¡¢IIB¡¢IICÀ౬ըÐÔÆøÌå»·¾³¡£
3¡¢ÊÊÓÃÓÚ¿ÉȼÐÔ·Û³¾»·¾³21Çø¡¢22Çø³¡Ëù¡£
4¡¢»§ÄÚ¡¢»§Í⣨IIP54¡¢IP65*£©
5¡¢¹ã·ºÓÃÓÚʯÓÍ¿ª²É¡¢Á¶ÓÍ¡¢»¯¹¤¡¢º£ÑóʯÓÍÆ½Ì¨¡¢ÓÍÂÖµÈÒ×ȼÒ×±¬ÆøÌå»·¾³£¬Ò²ÓÃÓÚ¾ü¹¤¡¢½ðÊô¼Ó¹¤µÈ¿ÉȼÐÔ·Û³¾³¡Ëù¡£
BQDϵÁзÀ±¬µç´ÅÆô¶¯Æ÷ÌØµã£º
1¡¢Íâ¿Ç²ÉÓÃLZ102ÖýÂÁºÏ½ðѹÖý³ÉÐÍ£¬±íÃæ¸ßѹ¾²µçÅçËÜ£»
2¡¢ÄÚ×°½»Á÷½Ó´¥Æ÷£¬Èȼ̵çÆ÷¡¢×Ô¸´Î»×ª»¯¿ª¹Ø£¬´ø×Ü¿ª¹ØÊ±»¹×°Óи߷ֶÏСÐͶÏ·Æ÷£»
3¡¢¿É¿ØÖƽ»Á÷50Hz¡¢380VÈýÏàÒì²½µç¶¯»úµÄÖ±½ÓÆð¶¯Í£Ö¹£¬²¢¾ßÓйýÔØºÍ¶ÏÏ༰ʧѹ±£»¤£»
4¡¢¿É´øÔ¶¿Ø£»
5¡¢¸Ö¹Ü»òµçÀ²¼Ïß¾ù¿É£»
6¡¢µçÁ÷63A¡£
BQDϵÁзÀ±¬µç´ÅÆô¶¯Æ÷¼¼Êõ²ÎÊý£º
|
Ðͺţ¨A£© |
¶î¶¨µçÁ÷£¨V£© |
¶î¶¨µçѹ |
ÈÈÀµçÆ÷Õû¶¨µçÁ÷µ÷½Ú·¶Î§£¨A£© |
¿ØÖƵ綯»ú¹¦ÂÊ£¨KW£© |
·À±¬±êÖ¾ |
·À±¬µÈ¼¶ |
·À¸¯µÈ¼¶ |
µçÀÂÍâ¾¶ |
½øÏß¿ÚÂÝÎÆ |
|
BQD-12(16) |
12(16) |
220 380 |
0.25~0.35 0.32~0.50 0.45~0.72 0.68~1.10 1.0~1.6 1.5~2.4 2.2~3.5 3.2~5.0 4.5~7.2 6.8~1.1 10~16£¬15~24 22~33£¬30~45 50~63£¬56~85 85~125 |
4 |
Exde IIB T6 Gb ExtD A21 IP65 T80¡æ |
IP54, IP65* |
WF1 WF2* |
¦µ10~¦µ14
|
3/4 |
|
BQD-25(32) |
25(32) |
8 |
3/4(1) |
||||||
|
BQD-40(50) |
40(50) |
18 |
¦µ14~¦µ18
|
1£¨11/4£© |
|||||
|
BQD-63 |
63 |
28 |
¦µ15~¦µ23
|
11/4 |
|||||
|
BQD-95 |
95 |
45 |
¦µ18~¦µ30
|
11/2 |
|||||
|
BQD-12N£¨16N£© |
12(16) |
4 |
¦µ10~¦µ14
|
3/4 |
|||||
|
BQD-25N£¨32N£© |
25£¨32£© |
8 |
3/4£¨1£© |
||||||
|
BQD-40N |
40 |
18 |
¦µ15~¦µ23
|
11/4 |
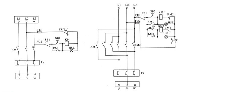
BQDϵÁзÀ±¬µç´ÅÆô¶¯Æ÷µçÆøÔÀíͼ£º
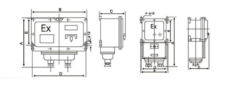
BQDϵÁзÀ±¬µç´ÅÆô¶¯Æ÷ÍâÐΰ²×°³ß´ç£º
ÄÏÑôʢͨ·À±¬µç»úµçÆ÷ÓÐÏÞ¹«Ë¾×÷Ϊһ¼Òרҵ¿ÆÑÐÓ뿪·¢¡¢ÖÆÔì¡¢ÏúÊÛ·À±¬µç´ÅÆô¶¯Æ÷³§¼Ò, ·À±¬²úƷͨ¹ý¹ú¼Ò·À±¬µçÆø²úÆ·ÖÊÁ¿¼à¶½¼ìÑéÖÐÐÄÈÏÖ¤£¬ÈçÄúÐèÒª¹ºÂò·À±¬µç´ÅÆô¶¯Æ÷»òÕßÁ˽â·À±¬µç´ÅÆô¶¯Æ÷¼Û¸ñ£¬ÇëÀ´µç×Éѯ ¡£
ÆäËü˵Ã÷£º
¡ñÒÔÉϲúÆ·Éæ¼°Éè¼Æ²ÎÊý¼°Êý¾ÝÇëÒÔ»úÉíÃúÅÆÎª×¼£¬Ë¡²»ÁíÐÐ֪ͨ
¡ñ²úƷͼƬÓëʵÎï¿ÉÄÜ»áÓÐÇá΢²î±ð£¬ÇëÒÔʵÎïΪ׼
¡ñÆäËûÏêÇéÇë²ÎÔı¾²úƷʹÓÃÊÖ²á
¡ñ±¾¹«Ë¾±£ÁôÒÔÉÏÐû´«Êý¾ÝµÄ½âÊÍȨÀû¡£
- ÉÏһƪ£º·À±¬²Ù×÷Öù£¨´øÒÇ±í£©
- ÏÂһƪ£ºÃ»ÓÐÁË...










