楼凤宫论坛(品茶)度,一品楼ypl论坛特色,一品阁品凤楼,重庆一品楼品

联系我们
24h服务热线
400-0377-656
南阳盛通防爆电机电器有限公司 本公司产品 证书齐全 检验必过 非标定制 可接大单 可开增票 送货上门
联系人:张经理
手机:400-0377-656
电话:13271377901
地址:南阳市明山路两相路交叉口福成商务楼

BXK系列防爆控制箱

发布时间:2016/8/19 15:14:57

分类:防爆控制柜

最近有454463人查看

BXK系列防爆控制箱型号规格含义: ...

联系电话:400-0377-656  13271377901
产品介绍

防爆控制箱


BXK系列防爆控制箱型号规格含义:

防爆控制箱

BXK系列防爆控制箱适用范围:

1、适用于爆炸性气体环境1区、2区场所。

2、爆炸性气体环境:IIA、IIB、IIC类。

3、适用于可燃性粉尘环境 21区、22区场所。

4、适用于T1~T4(T6)组温度组别;

5、广泛用于石油开采、炼油、化工、海洋石油平台、油轮等易燃易爆气体环境,也用于军工、金属加工等可燃性粉尘场所。


BXK系列防爆控制箱特点:

1、本系列产品防爆型式有多种:隔爆型、复合型(隔爆型主腔、增安型接线腔)、粉尘防爆型;

2、内装元件多种多样:按钮、指示灯、电表、控制开关、小型断路器、塑壳断路器、交流接触器、测量仪表、PLC及用户提供其它仪器仪表等;

3、壳体尺寸具有多种多样,可满足用户不同安装空间要求,同时可根据用户要求进行 壳体组合拼接;

4、壳体材质有铝合金、钢板焊接等,也可根据用户需要采用不锈钢材质。

BXK系列防爆控制箱

BXK系列防爆控制箱技术参数:

■执行标准:GB3836.1  、GB3836.2、GB3836.3、GB12476.1、GB12476.5、IEC60079-0、IEC60079-1、IEC60079-7、IEC61241-0、IEC61241-1、EN60079-0、EN60079-1、EN60079-7、EN61241-0、EN61241-1

■  防爆标志: Exde IIB T6 Gb/Exde IIB T4 Gb/Ex tD A21 IP65 T80℃   Exde IIC T6 Gb

Exde IIC T4 Gb   Ex tD A21 IP65 T80℃                                                                                                      Exde IIC T6 Gb   Ex tD A21         IP65 T80℃

■ 额定电压:220V/380V

■ 额定电流:≤63A       ≤400A       ≤63A         ≤250A         ≤10A

■ 防护等级:IP54         IP65          IP55           IP65            IP65

■ 防腐等级: WF1      *WF2

■外壳材质:铝合金、碳钢或不锈钢

■使用类别:AC-3、    AC-4、   AC-15、  DC-13

■内装元件:根据用户要求提供

■进线口螺纹:根据用户要求提供

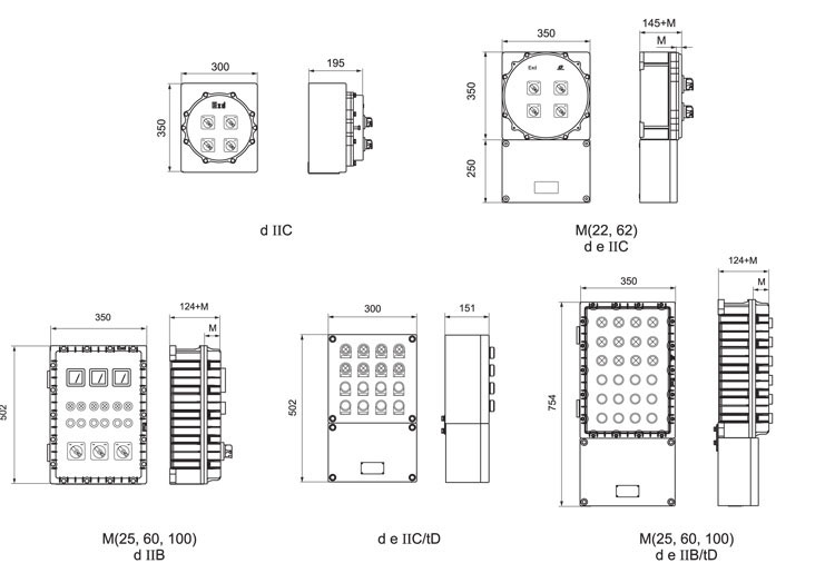
BXK系列防爆控制箱壳体外形尺寸举例 :

防爆控制箱外形

防爆控制箱

南阳盛通防爆电机电器有限公司作为一家专业科研与开发、制造、销售防爆控制箱厂家, 防爆产品通过国家防爆电气产品质量监督检验中心认证,如您需要购买防爆控制箱或者了解防爆控制箱价格,请来电咨询 。

其它说明:

●以上产品涉及设计参数及数据请以机身铭牌为准,恕不另行通知

●产品图片与实物可能会有轻微差别,请以实物为准

●其他详情请参阅本产品使用手册

●本公司保留以上宣传数据的解释权利。

盛通防爆