ºÓÄÏ·À±¬ÒDZíÏä
·¢²¼Ê±¼ä£º2016/9/2 17:36:33
·ÖÀࣺºÓÄÏ·À±¬¿ØÖƹñ
×î½üÓÐ577798È˲鿴
Ò»¡¢·À±¬ÒDZíÏäÌØµã£º 1£®±¾²úƷΪ¸´ºÏÐÍ£¬¿ª¹ØÏä²ÉÓøô±¬ÐÍ...
- ²úÆ·½éÉÜ
Ò»¡¢·À±¬ÒDZíÏäÌØµã£º
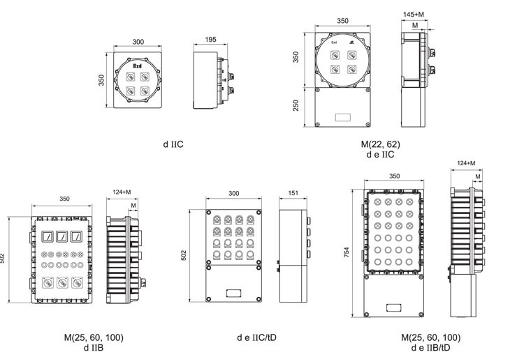
1£® ±¾²úƷΪ¸´ºÏÐÍ£¬¿ª¹ØÏä²ÉÓøô±¬Ðͽṹ£¬Ä¸ÏßÏä¼°³öÏßÏä²ÉÓÃÔö°²Ðͽṹ¡£²ÉÓÃÄ£¿é½á¹¹£¬¸÷ÖÖ»ØÂ·¿ÉÒÔ×ÔÓÉÑ¡Ôñ×éºÏ¡£
2£® ÄÚ×°¸ß·Ö¶ÏСÐͶÏ·Æ÷£¬¾ßÓйýÔØ¼°¶Ì·±£»¤¹¦ÄÜ¡£
3£® ±¾²úÆ·ÍÆ³öÐÂÐÍÉè¼Æ·½°¸¼°²Ù×÷»ú¹¹£¬½á¹¹½ô´ÕºÏÀí¡¢Í¨ÓÃÐÔÇ¿¡¢²Ù×÷Áé»î·½±ã¡¢Êָкá£
4£® ËùÓнô¹Ì¼þ¾ù²ÉÓÿ¹Ç¿¸¯Ê´µÄ304²»Ðâ¸Ö½ô¹Ì¼þ¡£
5£® ¸Ö¹Ü»òµçÀ²¼Ïß¾ù¿É¡£
6£® ¿É¸ù¾ÝÓû§ÒªÇóÌØÖÆ¡£
¶þ¡¢·À±¬ÒDZíÏäÊÊÓ÷¶Î§£º
1£®1Çø¡¢2ÇøÎ£ÏÕ³¡Ëù¡£
2£®IIA¡¢IIB¡¢IICÀ࣬ζÈ×é±ðΪT1-T4µÄ±¬Õ¨ÐÔÆøÌå»·¾³¡£
3£®ÊÊÓÃÓÚ¿ÉȼÐÔ·Û³¾20Çø¡¢21Çø¡¢22Çø³¡Ëù¡£
4£®»§ÄÚ¡¢»§Í⣨ÐëÅ䱸·ÀÓêÕÖ£©¾ù¿É¡£
Èý¡¢·À±¬ÒDZíÏäÖ÷Òª²ÎÊý£º
·À¸¯µÈ¼¶£ºWF1
¶î¶¨µçѹ£¨V£©£º220/380
¶î¶¨µçÁ÷£¨A£©£º10-100A
·À±¬±êÖ¾ £ºExdeIIBT4 ExdeIICT4 DIPA20 TAT4
֧·Êý £º4¡¢6¡¢8¡¢10¡¢12
·À»¤µÈ¼¶£ºIP55*IP65
²¿·Ö²úƷչʾ£º
ÄÏÑôʢͨ·À±¬µç»úµçÆ÷ÓÐÏÞ¹«Ë¾×÷Ϊһ¼Òרҵ¿ÆÑÐÓ뿪·¢¡¢ÖÆÔì¡¢ÏúÊÛ·À±¬ÒDZíÏä³§¼Ò, ·À±¬²úƷͨ¹ý¹ú¼Ò·À±¬µçÆø²úÆ·ÖÊÁ¿¼à¶½¼ìÑéÖÐÐÄÈÏÖ¤£¬ÈçÄúÐèÒª¹ºÂò·À±¬ÒDZíÏä»òÕßÁ˽â·À±¬ÒDZíÏä¼Û¸ñ£¬ÇëÀ´µç×Éѯ ¡£
ÆäËü˵Ã÷£º
¡ñÒÔÉϲúÆ·Éæ¼°Éè¼Æ²ÎÊý¼°Êý¾ÝÇëÒÔ»úÉíÃúÅÆÎª×¼£¬Ë¡²»ÁíÐÐ֪ͨ
¡ñ²úƷͼƬÓëʵÎï¿ÉÄÜ»áÓÐÇá΢²î±ð£¬ÇëÒÔʵÎïΪ׼
¡ñÆäËûÏêÇéÇë²ÎÔı¾²úƷʹÓÃÊÖ²á
¡ñ±¾¹«Ë¾±£ÁôÒÔÉÏÐû´«Êý¾ÝµÄ½âÊÍȨÀû
- ÉÏһƪ£ººÓÄÏBLK52ϵÁзÀ±¬¶Ï·Æ÷
- ÏÂһƪ£ººÓÄÏPLC·À±¬µçÆø¿ØÖƹñ









